Bizə e-poçt göndərin
Məhsullar
2V025 Solenoid Valf Manifoldu
  • 2V025 Solenoid Valf Manifoldu2V025 Solenoid Valf Manifoldu
  • 2V025 Solenoid Valf Manifoldu2V025 Solenoid Valf Manifoldu

2V025 Solenoid Valf Manifoldu

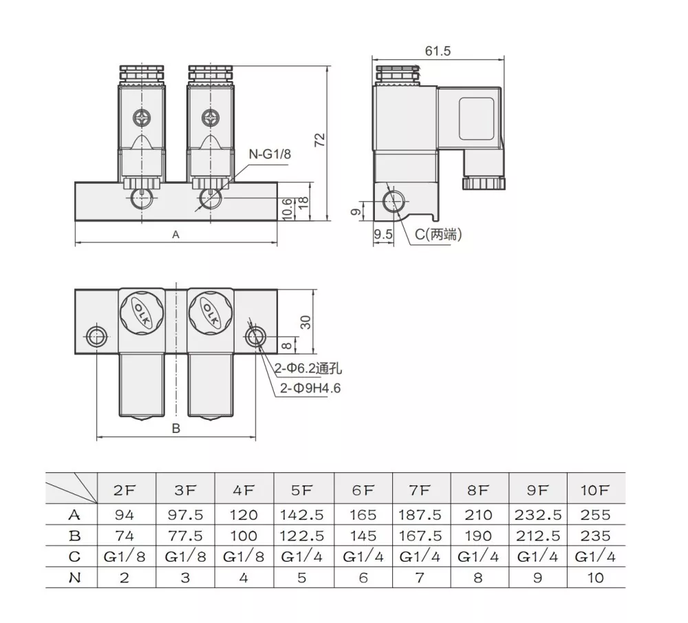
2V025 iki mövqeli, ikitərəfli birbaşa fəaliyyət göstərən normal qapalı solenoid klapan tətbiq tələblərinə uyğun olaraq 2-dən 12 mövqeyə qədər çevik genişlənmə ilə klapan bazası yaratmaq üçün birləşdirilə bilər. Bu çoxstansiyalı 2V025 Solenoid Valf Manifoldu yığcam və yüngül dizayna malikdir, lakin fərdi istifadə üçün sökülə bilməz. Vana gövdəsi yüksək keyfiyyətli alüminium ərintisindən hazırlanmışdır və NBR sızdırmazlıq materialından istifadə edir.

Suqəbuledici və egzoz istiqamətlərindən asılı olaraq, 2V025 Solenoid Valf Manifoldu bir giriş və çox çıxışlı müsbət təzyiq növlərinə və çoxlu giriş və bir çıxışlı mənfi təzyiq növlərinə bölünə bilər. Vakuum nasoslarında mənfi təzyiq tətbiq oluna bilər. Müsbət və mənfi təzyiq əks istiqamətdə işlədiyi üçün sifariş verməzdən əvvəl OLK satış komandası ilə məsləhətləşin

2V025 Solenoid Valf Manifoldu Ümumi parametrlər məlumatları:

Fəaliyyət

birbaşa aktyorluq

vəzifələrin sayı

2 mövqeli 2 yollu

İlkin dövlət

NO,NC

yağlama

lazımsız

İş təzyiqi diapazonu MPa(psi)

0~0,8Mpa(0~114psi)

Zəmanətli təzyiq müqaviməti

1.5MPa (215psi)

Standart Gərginlik

AC220V, AC110V, AC24V, DC24V, DC12V

Gərginlik diapazonundan istifadə edin

AC:±15% DC:±10%

enerji istehlakı

AC: 6VADC: 6W

müdafiə səviyyəsi

IP65 (DIN40050)

istilik müqavimət dərəcəsi

B sinfi

Bağlantı növü

DIN rozetka növü, çıxış növü

Həyəcan vaxtı

0,05 saniyə və ya daha az

Valf gövdəsi

Alüminium ərintisi

Tez-tez verilən suallar:

2V025-06 və 2V025-08 arasındakı fərq nədir?

2V025-06 və 2V025-08 arasındakı fərq port diametridir. 06 = G1/8 və 08 = G1/4


2V025 kollektor klapan yaratmaq üçün birlikdə birləşdirilə bilərmi?

10 ədədə qədər 2V025 solenoid klapan manifold klapan yarada bilər.


2 yollu klapan 2V025 hansı ssenarilərə uyğundur?

İki tərəfli ikitərəfli 2V025 klapan üfürmə iş ssenariləri üçün uyğundur, lakin pnevmatik silindrlər üçün uyğun deyil, çünki egzoz portu yoxdur.


2V025 solenoid klapan mənfi təzyiq mühitində istifadə edilə bilərmi?

Əlbəttə, çoxlu hava girişi və bir çıxışı olan 2V025 solenoid klapan vakuum nasosu ilə istifadə üçün uyğundur.


2V025 maye idarəetmə vali 2 yol normal olaraq açıqdırmı?

BƏLİ,2V025-06-NO:Giriş :G1/8 , Çıxış:M5

2V025-08-NO:Giriş:G1/4 , Çıxış:M5

2 yollu 2V025 Solenoid Valf Manifoldu  Uyğun Birgə Aksesuarları


Qaynar Teqlər: 2V025 Solenoid Valf Manifoldu, Çin, İstehsalçı, Təchizatçı, Zavod
Sorğu göndərin
Əlaqə məlumatı
Veb saytımıza xoş gəlmisiniz! Məhsullarımız və ya qiymət siyahısı ilə bağlı suallarınız üçün e-poçtunuzu bizə buraxın və biz 24 saat ərzində əlaqə saxlayacağıq.
E-poçt
cici@olkptc.com
Mobil
+86-13736765213
Ünvan
Zhengtai Road, Xinguang Industrial Zone, Liushi, Yueqing, Wenzhou, Zhejiang, Çin.
X
Biz sizə daha yaxşı baxış təcrübəsi təklif etmək, sayt trafikini təhlil etmək və məzmunu fərdiləşdirmək üçün kukilərdən istifadə edirik. Bu saytdan istifadə etməklə siz kukilərdən istifadəmizlə razılaşırsınız. Məxfilik Siyasəti
Rədd edin Qəbul edin