Bizə e-poçt göndərin
Məhsullar
Vu07 vakuum solenoid valve 3 yol
  • Vu07 vakuum solenoid valve 3 yolVu07 vakuum solenoid valve 3 yol
  • Vu07 vakuum solenoid valve 3 yolVu07 vakuum solenoid valve 3 yol
  • Vu07 vakuum solenoid valve 3 yolVu07 vakuum solenoid valve 3 yol

Vu07 vakuum solenoid valve 3 yol

Professional istehsalı kimi, Olk sizə VU07 Vakuum Solenoid Vana 3 yol təqdim etmək istəyir. Və OLK sizə ən yaxşı satışdan sonrakı xidmət və vaxtında çatdırılma təklif edəcəkdir.

VU07 vakuum solenoid valve, daxili və ya xarici pilot nəzarət ilə 3 yol. Vana gövdəsi alüminium ərintisindən mavi ilə hazırlanmışdır və yüksək axın qabiliyyəti üçün böyük bir buruqla hazırlanmışdır.

Vakuum (-100 KPA), eləcə də aşağı müsbət təzyiq (0-0.5 mpa) ilə istismar üçün uygundur.

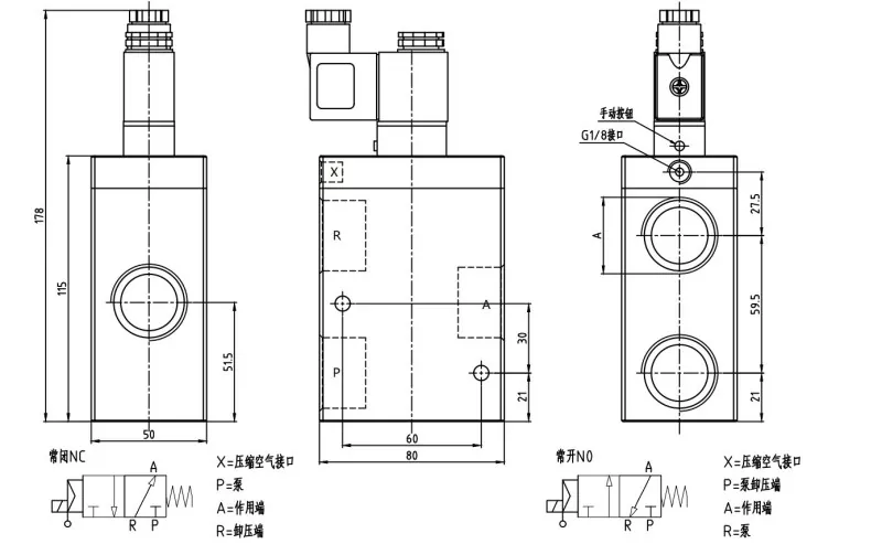
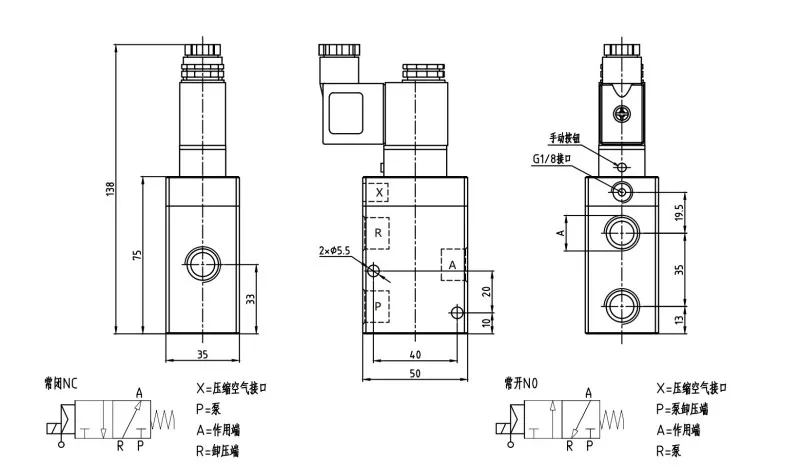
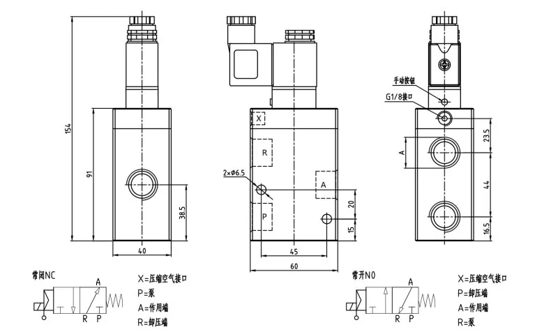
Yivli port (p, a, r) ​​ölçüləri G1 / 8-də sıxılmış hava limanı (X) olan G3 / 8, G1 / 2 və G1-də mövcuddur.

Əsas tətbiqlər

3 tərəfli vakuum solenoid klapanı əsasən istifadə olunur: vakuum elektrik bölmələri, emiş paletirləri, robotlar, qidalandırıcılar, bag-açılan cihazlar və atmosfer arasında sürətli keçid tələb edən digər tətbiqlər, atmosfer təzyiqinə sürətli bir şəkildə bərpa etməyə imkan verir.

Vu07 vakuum solenoid valve 3 yol Xüsusiyyətlər:

· Böyük axın qabiliyyəti

· Vakuum və aşağı təzyiqdən istifadə üçün uyğundur (vakuum: -100 kpa, aşağı təzyiq: 0-0.5 mpa)

· Normal olaraq qapalı (NC) və normal olaraq (yox) növlərində mövcuddur

· İsteğe bağlı daxili pilot və ya xarici pilot nəzarət

Vu07 vakuum solenoid valve 3 yol simvolu

Sifariş kodu

Vu07

02

11

-

D2448

W

Model:

Port ölçüsü:

Nəzarət:

 

Gərginlik:

Pilot növü:

VU07 Series Vakuum Solenoid Vana

02: G3 / 8

11: Elektrik

 

D2448: DC24V 4.8W

Boşluq: daxili pilot

 

03: G1 / 2

31: hava

 

A22060: AC220V 6VA

W: Xarici pilot

 

05: G1

 

 

 

 

 

Model

A

Maks axını dərəcəsi (m³ / h)

Vakuum (Min: MBAR - MAX: ABS)

Cavab müddəti (MSEC) enerjili

Cavab müddəti (MSEC) enerjili

Port

Port sahəsi (mm²)

X nəzarət təzyiqi (bar)

Çəki (kq)

Vu07 02 11

G3 / 8

10

1000 0,5

16

27

11.5

103.8

4-7

 

Vu07 02 11

G1 / 2

20

1000 0,5

16

40

15

176

6-7

 

Vu07 02 11

G1

90

1000 0,5

18

42

25

490

6-8



Suallar:

VU07 vakuum klapanının ipi nədir?

VU0702: G3 / 8; VU0703: G1 / 2; VU0705: G1


Vu vakuum solenoid klapan üçün hansı gərginliklər mövcuddur?

Vu Vakuum Solenoid klapanı DC24V 4.8W və AC220V 6VA-da mövcuddur.


Vu valve-də sıxılmış hava limanının ölçüsü nədir?

Bütün sıxılmış hava limanları G1 / 8-dir.


"Torr · l / s" sızma dərəcəsi bölməsi nə deməkdir?

"Torr · l / s" yüksək vakuum və ya ultra yüksək vakuum sistemlərində sızma dərəcəsi ölçülməsi üçün ortaq bir vahiddir.

Torr: Təzyiq vahidi (1 TORR ≈ 133.3 PA)

L: litr (həcm vahidi)

S: ikinci (vaxt vahidi)

Beləliklə, "Torr · L / S" bir sistemin və ya komponentin möhürləmə performansını əks etdirən bir saniyədə sızan qazın (Torr × litrlərində) qazın miqdarını göstərir.


Arasında hər hansı bir əlaqə varmı?vakuum generatoruvə vakuum solenoid klapan?

1.Vacuum Təchizat Nəzarət

Vakuum generatoru sıxılmış havadan istifadə edərək vakuum yaradır, vakuum solenoid klapanı keçid kimi işləyir.

Vana açıq olduqda, vakuum emiş stəkanına və ya vakuum xəttinə qoşulur.

Vana bağlananda vakuum kəsilir.


2. Tozsoran və atmosfer arasında baş tutma

Seçim zamanı, vana vakuumu bağlı saxlayır.


İş parçasını buraxmaq üçün, klapan atmosferə açar, buna görə emiş stəkan sürətlə əmzik itirir.


3.Energy qənaət

Enerji qənaət edən sistemlərdə, solenoid klapan, hava istehlakını azaltmaq üçün lazımi vakuum səviyyəsinə çatdıqdan sonra sıxılmış hava tədarükünü dayandıra bilər.


4.tipik tətbiqlər

Emiş paletatorları

Avtomatik montaj xətləri (plc tərəfindən idarə olunur)

Robot tutma sistemləri


Qaynar Teqlər: VU07 vakuum solenoid valve 3 yol, Çin, istehsalçı, təchizatçı, fabrik
Sorğu göndərin
Əlaqə məlumatı
Veb saytımıza xoş gəlmisiniz! Məhsullarımız və ya qiymət siyahısı ilə bağlı suallarınız üçün e-poçtunuzu bizə buraxın və biz 24 saat ərzində əlaqə saxlayacağıq.
E-poçt
cici@olkptc.com
Mobil
+86-13736765213
Ünvan
Zhengtai Road, Xinguang Industrial Zone, Liushi, Yueqing, Wenzhou, Zhejiang, Çin.
X
Biz sizə daha yaxşı baxış təcrübəsi təklif etmək, sayt trafikini təhlil etmək və məzmunu fərdiləşdirmək üçün kukilərdən istifadə edirik. Bu saytdan istifadə etməklə siz kukilərdən istifadəmizlə razılaşırsınız. Məxfilik Siyasəti
Rədd edin Qəbul edin